other
제품
스위치 슬라이드 스위치 직각 2 이동 4P2T 슬라이드 스위치

직각 2 이동 4P2T 슬라이드 스위치

4P2T 슬라이드 스위치는 두 가지 안정적인 스위칭 상태로 4개의 독립 회로를 동시에 제어하여 소형 애플리케이션에서 효율적인 다중 경로 회로 선택을 가능하게 합니다.

  • 상표:

    Gangyuan
  • 제품 번호.:

    SK42D02-EG4
  • 주문 (MOQ):

    1000
  • 지불:

    100% before production
  • 제품 기원:

    Wenzhou
  • 색깔:

    Black
  • 배송 포트:

    Ningbo or Shenzhen
  • 리드 타임:

    7-15 working days
  • 너비

    15.00mm x 4.70mm
  • 장착 유형

    Right Angle
  • 조명

    Non-llluminated
  • IP 등급

    No IP Rating
  • 제품 상세 정보

PCB 장착형 소형 슬라이드 스위치


일반적인 사양


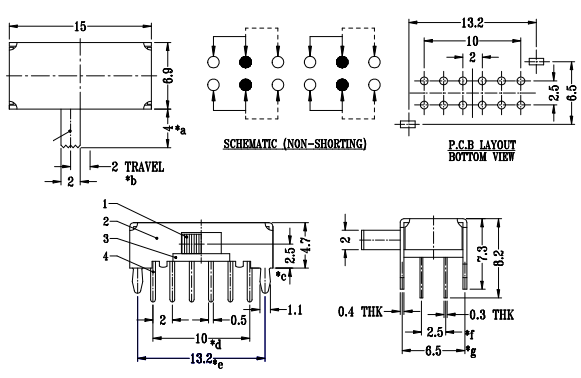
유형: 관통 구멍 슬라이드 스위치

정격: 0.3A 50V

작동 힘: 250±100gf

전체 이동 거리: 2±0.2mm

작동 수명: 10,000회

슬라이드 스위치 손잡이: 4mm

작동 온도 범위: -20℃~70℃


슬라이드 스위치 치수

마이크로 2P2T 슬라이드 스위치


특징


4P2T 슬라이드 스위치의 주요 특징(간결함 및 결합)


1. 4개 회로 제어(4P - 4극)

4개의 독립 회로를 동시에 관리하므로 복잡한 다중 경로 애플리케이션에 이상적입니다.

2. 2개의 안정된 위치(2T - 2개의 던지기)

안정적인 회로 라우팅을 보장하기 위해 두 가지 고정 스위칭 상태(예: ON/OFF 또는 모드 선택)를 제공합니다.

3. 정밀한 다중 경로 제어

2가지 구성으로 4개 회로를 동시에 전환할 수 있으며, 일반적으로 산업, 오디오 또는 자동차 시스템에 사용됩니다.

4. 컴팩트하고 내구성이 뛰어납니다.

견고한 슬라이딩 메커니즘을 갖춘 공간 효율적인 디자인으로, 고주파 또는 혹독한 환경에서의 사용에 적합합니다.

5. 다양한 응용 프로그램

LED 컨트롤러, 모터 드라이버 또는 신호 라우터와 같은 다중 회로 장치에 이상적입니다.



메시지를 남겨주세요

IF 우리의 제품에 관심이 있으시고 자세한 내용을 알고 싶습니다. 여기에 메시지를 남겨주세요, 우리는 최대한 빨리 당신을 회신 할 것입니다.

관련 상품
 Slide Switch
SPDT 관통형 슬라이드 스위치

간편한 구조, 미니 본체, 3단자, 수직 핸들, 1극 3위치, 슬라이딩 노브 액추에이터.

Slide Switch
미니 수평 슬라이드 스위치 3 위치

수평 슬라이드 스위치, 웨이브 또는 V 모양의 노브, 1 극 3 위치, PCB 장착.

Slide Switch
표면 장착 SMD 슬라이드 스위치

SMD 유형 슬라이드 스위치, 소형 몸체, 쉽게 손잡이, 쉽게 핸들 마운트 디자인 터미널, 릴 포장 가능.

Slide Switch
SPDT 흰색 노브가있는 미니 슬라이드 스위치

사이드 operated 흰색 손잡이, 하나의 극 두 던지기, PCB 장착 디자인, 3 터미널, 릴 포장 가능.

Slide Switch
2p3t 측면 작동 SMD 슬라이드 스위치

측면 노브, 2p3t Type, 8 Termninals, PCB 용 미니 모양, DIY의 훌륭한 구성 요소.

slide switch
2p3t 오디오 제품 용 미니 슬라이드 스위치

2p3t 오디오 제품 용 미니 슬라이드 스위치,쉬운 구조, 미니 바디, 8 터미널, 수직 손잡이, 2 극 2 위치, 슬라이딩 노브 액추에이터

slide switch
6 위치 PCB 미니 SMD 슬라이드 스위치

MSK-01-B : 7.1mmx3.5mm, 180GF, 2P2T 슬라이드 스위치를 입력하십시오.

slide switch
8 방향 미니 PCB SMD DC6V 2p3t 슬라이드 스위치

MSK-01Q : 9.9mmx3.2mm , 180gf / 250gf, 2p3t 슬라이드 스위치를 입력하십시오.

저작권 © 2026 Wenzhou Gangyuan Electronics Co., Ltd.. 판권 소유. 힘의 힘

IPv6 네트워크 지원

상단

메시지를 남겨주세요

메시지를 남겨주세요

    IF 우리의 제품에 관심이 있으시고 자세한 내용을 알고 싶습니다. 여기에 메시지를 남겨주세요, 우리는 최대한 빨리 당신을 회신 할 것입니다.

  • #
  • #
  • #
  • #
    이미지를 새로 고침하십시오